作者:运行风险控制中心 杲伟彬
摘要:飞机的空调系统是飞机的重要系统之一,它通过空调组件处理来自发动机、APU的引气与冲压空气来为机组和旅客提供温度适宜的空气。同时空调系统也是飞机增压系统的重要组成部分,为座舱提供合适的空气压力。
关键词:空调组件;PACK;MEL;冲压空气
0事件回放
某日,由BXXXX飞机执行SCXXXX(三亚-郑州)航班,起飞后约15分钟,机组通过卫星电话报告左PACK灯点亮,左冲压空气全开灯亮,增压正常。初步判断为左空调组件不能使用,由于B737-800机型有两套空调组件,分别为左空调组件和右空调组件,每套空调组件都能够独立在飞机最大审定高度为驾驶舱和客舱提供足够适宜的增压空气,满足座舱增压需要。因此,在左空调组件故障的情况下,不影响飞行安全,可以继续向前飞行,但是后续航班如何放行需要提前做好分析。
1判断
1.1“PACK”灯点亮原因分析
通过QRH检查单查询“PACK灯点亮”对应的检查单(如图1),可以看出PACK灯点亮的逻辑有两种:
1、主要和备用空调组件控制失效。
2、一个空调组件过热。
那我们使用排除法,一一判断,寻找问题所在。
1.1.1空调组件控制。
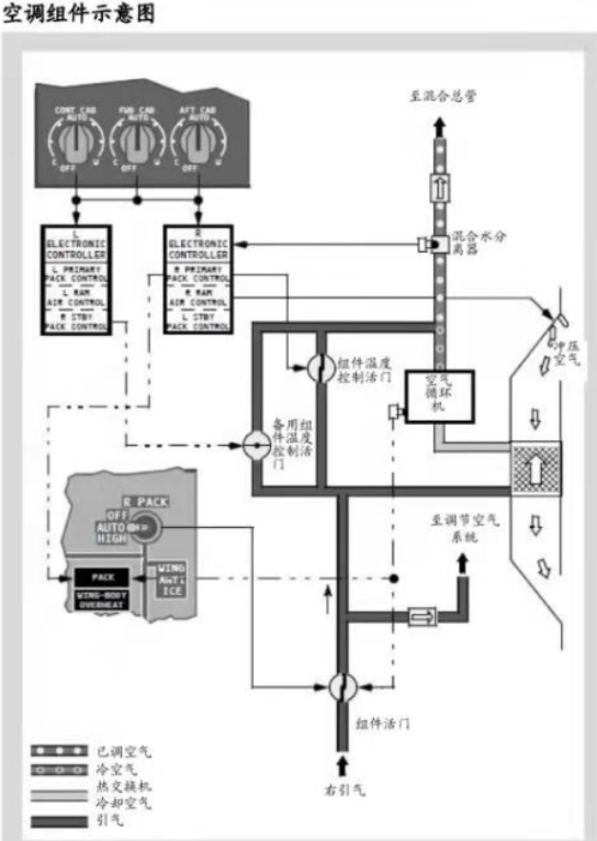
B737NG的空调系统有两个“组件控制器”,用于控制组件和区域温度(如表1)。
组件主用温度控制和备用温度控制都有各自的活门,通过向制冷后的空气混入一定量的热引气来达到调节组件温度的目的。主用温度控制失效后,备用温度控制自动接手(如图2)。如果其中一部组件控制器失效,按压系统信号牌再现时会触发“PACK”灯亮,复位后,“PACK”灯熄灭,另一部组件控制器完成对于组件的正常控制。如果两个组件控制器均正常的情况下,同时发生故障的概率极低。
通过机组、机务提供的信息发现,在三亚飞机开车后,按压系统信号牌,左空调组件“PACK”灯亮,复位后,“PACK”灯熄灭,初步判断,一个空调组件电子控制器故障,那么会不会起飞后另一部电子控制器故障呢?通过表1,我们可以看出,如果两个电子控制器故障,那么两部空调组件将都不能工作,与机组反馈的仅左空调组件不工作不相符。
同时,根据机组描述:机组按照QRH操作,按压了“TRIP RESET”电门后,“PACK”灯熄灭,一段时间后,PACK灯又亮。如果是两个空调组件电子控制器故障,按压了“TRIP RESET”电门后,“PACK”灯不可能熄灭。
因此,排除两个组件控制故障的情况。
1.1.2空调组件过热
空调组件有过热保护,如果空调组件因工作负荷过大而出现过热,过热继电器就会关闭“组件流量控制和关断活门”,进而断开组件的引气供应。这样,整个组件就会停止运转,这就是“组件跳开”了。
组件跳开后,机组应当先将温度选择器调定至较暖的温度,这样可以减少受影响的空调组件的工作负荷。待组件温度冷却至限制值以下后,机组按压“跳开复位电门(TRIP RESET)”就可以重启组件。
本次事件中,机组按压了“TRIP RESET”电门后,“PACK”灯熄灭,一段时间后,PACK灯又亮。故障现象及操作情况符合空调组件过热的情况。
1.2“冲压门全开灯”点亮原因分析
根据1.1.1和1.1.2的分析,判断为空调组件过热导致故障。那么,为什么冲压门全开灯(RAM DOOR FULL OPEN)亮呢?
冲压空气系统为热交换器提供冷却空气。系统的工作由组件通过操作冲压进气门来自动控制(如图3)。冲压空气进气管在空调舱的外面,向前延伸到机翼与机身连接处的整流罩里的冲压空气进口。在地面或在襟翼未完成收上的低速飞行期间,冲压空气进气门移开至全开位置,达到最大冷却。在正常巡航情况下,该冲压进气门在打开与关闭之间调节。只要冲压门完全打开,冲压门完全打开(RAM DOOR FULL OPEN)灯即亮。
如果“冲压门全开灯”亮,可能是这三种可能故障之一:冲压空气系统可能被堵塞;热交换器脏;电气故障。
由于该架飞机前序所飞机场及航线均无湿滑及砂石道面的运行环境,因此运行环境导致热交换器脏的概率较低;同时,根据1.1所分析的结论,已经排除了两个组件控制故障的情况。因此,初步分析判断为冲压空气系统被堵塞,导致外界空气无法进入冲压空气系统,从而造成空调组件降温的功效降低而过热。
冲压空气系统被堵塞通常可能是由于外来物,也可能是冲压系统的导流门故障导致。
由于冲压空气进气导流门有两个位置,当飞机在地面时,门伸出给予冲压空气进口以保护,确保冰、石块和不需要的东西无法进入冲压空气进口;当飞机在空中时,导流门收回。因此,飞机冲压空气系统不太可能因外来物堵塞。那么,故障原因就是冲压系统的导流门故障在伸出位,飞机起飞后无法收回,导致空气不能进入冲压空气系统,为了增加进气量,冲压门完全打开,导致“冲压门全开灯”点亮,由于没有足够的冷却空气进入导致空调组件过热。
综合1.1和1.2的分析可以看出,本次故障的根本原因是因为冲压系统的导流门故障在伸出位,这与机组报告“在起飞后故障现象就发生了”的情况相符。
2后续航班放行
故障原因判断清楚后,经与机务部门沟通,可以按照相应MEL条款放行。经查询B737-NG MEL,可按照MEL21-05放行(如图3),将冲压空气系统保留;也可以按照MEL21-01-01放行(如图4),将左空调组件整体保留。


如果按照冲压空气进行保留,则需将冲压空气调节系统失效于开位,即将冲压空气进气门固定在开位,将导流门固定在收回位(如图5),以保证空中有足够外界冷空气进入冲压系统冷却热交换器。这样,会导致运行环境的限制和性能损失。
如果将左空调组件整体保留,那么,将会对于飞行高度有限制。
签派员分别对于上述两种情况作了放行分析和预案准备,确保航班运行正常。
3验证
郑州过站期间,机务检查发现,导流门故障。由于没有螺栓,无法将冲压空气进气门和导流门固定,为确保航班正常,按照MEL21-01-01保留左空调组件。
当天飞机回基地后,经更换左侧冲压系统作动筒后,冲压系统进气门与折流门正常,该故障排除。
4 结论
飞行签派员是不上天的机长,不拿扳手的工程师,只有“苦练基本功”,才能在复杂的运行中,透过现象看本质,做出真正合理的应对策略,提升空中故障的处置能力。
评论 (0)